HZ-GFM フランジ付きベアリングは、統合されたフランジ設計により、ラジアル荷重容量と軸方向のアライメント制御を組み合わせています。熱安定化ポリマーで作られており、断続的な衝撃荷重や自動車のリンケージ、HVAC ダンパー、マテリアル ハンドリング システムの位置ずれに耐えます。
コア機能
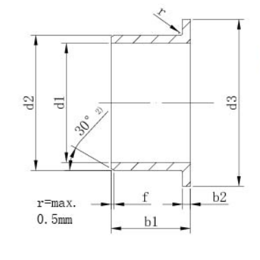
フランジ設計: 軸方向のずれを防止します。柔らかい素材のハウジングへの取り付けが簡単になります。
材質: ガラス繊維強化 PA66 または PEEK で高温耐性 (短期的には最大 180°C)。
取り付け: プレスフィットツール (PT-1350 シリーズなど) と互換性があり、迅速な組み立てが可能です。
用途: ポンプハウジング、電動アクチュエータガイド、両方向の安定性が必要なコンベアローラー。















